Magna Concursos
664509 Ano: 2016
Disciplina: Engenharia Eletrônica
Banca: AOCP
Orgão: EBSERH
Provas:

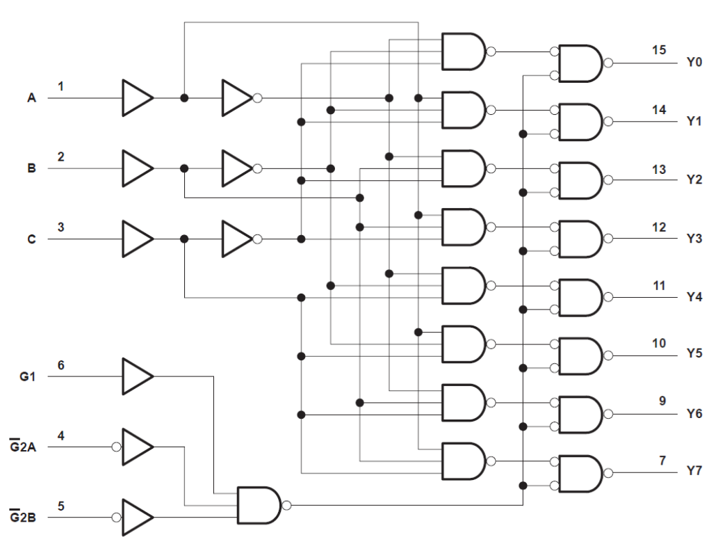
Assinale a alternativa correta em relação ao seguinte circuito lógico MSI.


enunciado 664509-1

 

Provas

Questão presente nas seguintes provas

Engenheiro Eletricista

50 Questões