Magna Concursos
414664 Ano: 2016
Disciplina: Engenharia Eletrônica
Banca: FGV
Orgão: COMPESA

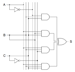
A figura a seguir apresenta um circuito lógico digital.

enunciado 414664-1

Considerando as entradas A, B e C, a saída em S é:

 

Provas

Questão presente nas seguintes provas

Técnico de Saneamento - Eletrônica

50 Questões