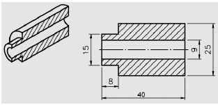
Muitas peças podem ser representadas claramente através de projeções ortogonais simples, mas em alguns casos podem ter uma representação bastante confusa e de interpretação complexa. Nestas situações empregam-se os cortes. Qual o tipo de corte mostrado no desenho técnico a seguir?
