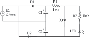
A fonte de tensão E1 é tipo senoidal com frequência
de 60 Hz, tensão de saída de 12 Vrms; os diodos
D1 e D2 são retificadores considerados ideais, o diodo
D3 é um Zener de 10 V / 1W, os capacitores C1 e C2
são de 470 μF e considerados ideais com relação à
tensão de trabalho, o LED1 quando diretamente polarizado
apresenta uma queda de tensão de 2 V, a corrente
de trabalho do LED1 pode variar de 5 a 50 mA.
A potência nominal dos resistores é de 1W.

Para o circuito da figura, assinale a afirmativa que completa corretamente a frase abaixo.
Em relação ao valor da fonte E1, a tensão

Para o circuito da figura, assinale a afirmativa que completa corretamente a frase abaixo.
Em relação ao valor da fonte E1, a tensão