
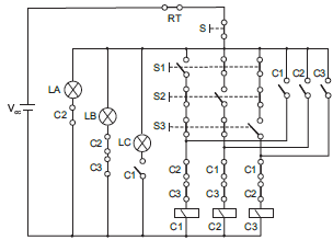
A figura apresenta o circuito elétrico de comando de três máquinas trifásicas acionadas por intermédio dos contatores C1, C2 e C3. As chaves S1, S2 e S3 são do tipo sem retenção.
Com relação a este circuito, considere as seguintes afirmações:
I - As lâmpadas LA e LB podem acender simultaneamente, sendo que nessa condição as máquinas comandadas pelos contatores C2 e C3 deverão estar desligadas.
II - A lâmpada LC somente acende quando a máquina comandada pelo contator C1 entra em operação.
III - As máquinas não podem funcionar simultaneamente.
IV - Ao ser acionada a chave S, todas as máquinas são desenergizadas e, após a chave S retornar à sua posição de repouso, as lâmpadas LA e LB acendem.
V - Ao ser acionada a chave S1, as máquinas comandadas pelos contatores C2 e C3 são desenergizadas e as lâmpadas LA, LB e LC se acendem.
São verdadeiras as afirmações: