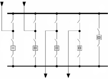
A figura abaixo apresenta um arranjo típico de uma subestação.

Esse arranjo:
I. tem barra dupla, disjuntor simples e by pass;
II. permite a substituição de um disjuntor sem desligamento da carga;
III. permite que metade da subestação permaneça em operação por ocasião de uma falha.
Está correto somente o que se afirma em: