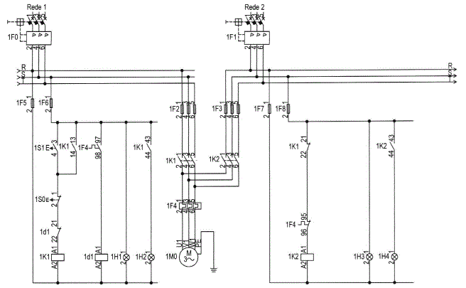
Analise esse projeto de utilização de duas redes alimentadoras para um motor trifásico.

Com relação a esse projeto, é CORRETO afirmar:
Provas
Questão presente nas seguintes provas
Analise esse projeto de utilização de duas redes alimentadoras para um motor trifásico.

Com relação a esse projeto, é CORRETO afirmar: