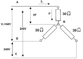
O circuito da figura representa uma ligação em Y, a uma linha de 3-⌀ de 240 V, funcionando com um FP de 0,866.

A potência consumida pelas três resistências é:
O circuito da figura representa uma ligação em Y, a uma linha de 3-⌀ de 240 V, funcionando com um FP de 0,866.

A potência consumida pelas três resistências é: