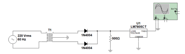
Para o circuito a seguir, determine o gráfico com a leitura do osciloscópio na saída de um regulador linear de 5V(LM7805) sabendo que a relação do transformador é de 10:1.

Para o circuito a seguir, determine o gráfico com a leitura do osciloscópio na saída de um regulador linear de 5V(LM7805) sabendo que a relação do transformador é de 10:1.
