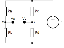
Observe o circuito ao lado, muito utilizado em aplicações de instrumentação.

Com relação a esse circuito, é correto afirmar que
Provas
Questão presente nas seguintes provas
Professor PEBTT - Processos Industriais/Área 04
40 Questões