Magna Concursos
2044516 Ano: 2020
Disciplina: Engenharia Eletrônica
Banca: DIRENS Aeronáutica
Orgão: EEAr
Provas:

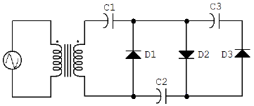
Indique o nome do circuito. Considere secundário do transformador como tensão de entrada.

Enunciado 3143036-1

 

Provas

Questão presente nas seguintes provas

EAGS - Eletrônica

100 Questões