Magna Concursos
Questões
Planos
Entrar
Entrar
Criar Conta
Respondida
2643876
Ano:
2013
Disciplina:
Engenharia Elétrica
Banca:
FGV
Orgão:
AL-MT
Provas:
Técnico Eletricista
Provas
×
Circuitos Elétricos
Circuitos CA
Circuitos Trifásicos
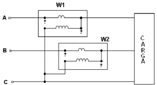
A figura a seguir apresenta uma configuração para a medição de potência elétrica de uma carga trifásica por meio de dois wattímetros.
As medidas desses wattímetros são iguais a W1 e W2.
A respeito dessa potência, assinale a afirmativa
correta.
A
(W1 + W2) é potência trifásica para cargas exclusivamente resistivas.
B
(W1 + W2) é potência trifásica para cargas exclusivamente equilibradas.
C
(W1 + W2) é potência trifásica para quaisquer cargas.
D
Módulo de (W1 – W2) é potência trifásica para cargas exclusivamente equilibradas.
E
Módulo de (W1 – W2) é potência trifásica para quaisquer cargas.
Resolver
Comentários
0
×
Cadernos
×
Flashcards
×
Estatísticas
×
Reportar um erro
×
Provas
Questão presente nas seguintes provas
Técnico Eletricista
60 Questões
Resolver Prova
Publicar
Responder
Qual o problema da questão?
Selecione uma opção
Questão Desatualizada
Questão Repetida
Gabarito Errado
Outros Motivos
Mensagem
Enviar
Acessar
Criar Conta
Acesse sua Conta
Google
Facebook
Esqueci minha senha
Acessar
Ainda não tem conta?
Crie uma
!
Crie uma Conta
Criar Conta
Olá, para continuar, precisamos criar uma conta!
É
rápido
e
grátis
.
Google
Facebook
Concordo com os
Termos de Uso
Criar
Já tem uma conta?
Acesse aqui