Você acabou de ser contratado para dar continuidade ao desenvolvimento e implantação de um processo em uma grande indústria química. O processo será basicamente a produção do composto c a partir da reação dos componentes a e b, subprodutos desta indústria. A reação entre a e b, que possuem mesma massa molecular , é uma reação endotérmica e ocorre em fase líquida a 24 °C, obedecendo a seguinte estequiometria:
a + b → c ΔHreação = 40 kJ/(kg de c formado)
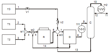
O diagrama do processo a ser implantado está representado abaixo.

Os componentes a e b estão estocados nos tanques T1 e T2 respectivamente. Depois de misturados em temperatura ambiente a corrente resultante (4) é misturada com uma corrente de reciclo (14) e alimentada no reator (corrente 5). Na reação, todo componente b presente no reator é consumido. A saída do reator (corrente 6) é então misturada com um solvente (componente d), proveniente do tanque de estocagem T3 e da saída do reciclo proveniente da coluna de destilação C, e alimentada no decantador D (corrente 7). Os componentes d e a são totalmente imiscíveis e o componente c particiona preferencialmente para fase rica no componente d seguindo para a destilação (correntes 8 e 9). A fase de fundo do decantador, rica no componente a, é reciclada para o reator (corrente 14). Na destilação os componentes c e d são separados, a corrente mais pesada, rica em d (corrente 13) é reciclada para a entrada do decantador. A corrente 11 é a corrente de produto do processo. As concentrações das correntes de entrada e saída do processo, bem como as correntes da coluna de destilação estão descritas na tabela abaixo.

A figura abaixo apresenta o equilíbrio líquido-vapor entre os componentes "c" e "d". calcule o número de estágios teóricos da coluna C para obter os produtos de topo (corrente 11) e de fundo (corrente 13) requeridos no projeto, utilizando o método gráfico de McCabe e Thiele. Nesta operação deverá ser utilizada uma taxa de refluxo de 2,6 mol (corrente 12) para cada mol produzido no topo (corrente 11).
