
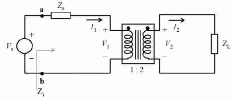
Um transformador ideal, com razão de espiras do primário para o secundário de 1:2, é alimentado, em seu primário, por um gerador senoidal VS de amplitude 10 VRMS e fase 30º, em série com uma impedância ZS de amplitude !$ 10\sqrt{2}\Omega !$ e fase 45º. O secundário do transformador é conectado a uma impedância de carga de amplitude !$ 40\sqrt{2}\Omega !$ e fase 315º. Com base nessas informações e no esquema desse circuito, fornecido acima, julgue o item subsequente.
A potência reativa requerida pelo transformador ideal é superior a 1 var.