A respeito de instalações prediais e seus respectivos projetos, julgue os próximos itens.
Na figura abaixo, estão representadas de forma correta as instalações elétricas de alimentação e de acionamento de uma luminária.

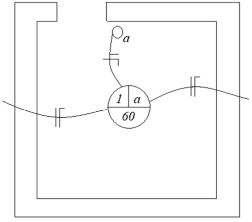
A respeito de instalações prediais e seus respectivos projetos, julgue os próximos itens.
Na figura abaixo, estão representadas de forma correta as instalações elétricas de alimentação e de acionamento de uma luminária.
