
Texas Instruments, SN74HCS164 8-Bit Parallel-Out Serial Shift Registers With Schmitt-Trigger Inputs, jan./2021.
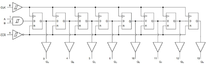
A figura acima mostra a estrutura interna de um registrador de deslocamento de 8 bits, o 74HCS164, da Texas Instruments. Com base nela, julgue o item.
Sendo QA o bit mais significativo e QH o bit menos significativo, é correto concluir que o dispositivo é capaz de realizar deslocamentos apenas para a direita.