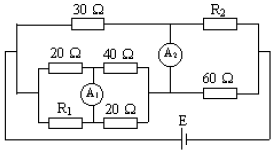
No circuito da figura abaixo, calcule, respectivamente, os valores das resistências !$ R_1 !$ e !$ R_2 !$, em ohms, de modo que os amperímetros ideais !$ A_1 !$ e !$ A_2 !$ indiquem zero.

Provas
Questão presente nas seguintes provas
CFS - Aeronavegantes e Não-Aeronavegantes
100 Questões
CFS - Controle de Tráfego Aéreo
100 Questões