Magna Concursos
2694277 Ano: 2023
Disciplina: Engenharia Elétrica
Banca: UFF
Orgão: UFF

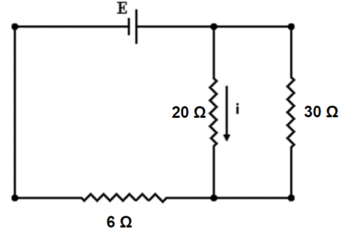
No circuito esquematizado abaixo, onde i = 2 A, a força eletromotriz E vale:

Enunciado 2694277-1

 

Provas

Questão presente nas seguintes provas

Técnico de Laboratório - Mecânica

65 Questões