Magna Concursos
3088491 Ano: 2009
Disciplina: Engenharia Eletrônica
Banca: CESGRANRIO
Orgão: CMB
Provas:

Circuito Lógico

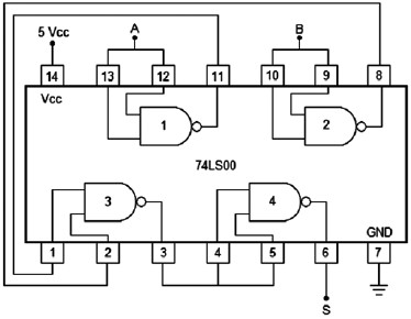
Enunciado 3370094-1

Considerando o circuito lógico acima, dadas as entradas A e B, qual o resultado simplificado em sua saída S?

 

Provas

Questão presente nas seguintes provas

Técnico de Eletrotécnica

30 Questões