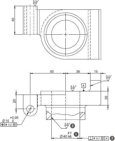
Observe o desenho.

Nos desenhos técnicos mecânicos, são utilizadas diversas simbologias para indicar características específicas de determinados elementos. As simbologias identificadas pelos números 1, 2 e 3 no desenho acima correspondem, respectivamente, às seguintes características: