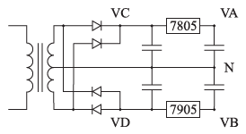
Na fonte de alimentação ilustrada, os diodos são ideais, o transformador possui relação de transformação de 110 [V] / 7,5 + 7,5[V] e os componentes 7805 e 7905 são circuitos integrados reguladores de tensão. Quando essa fonte é alimentada com 110 [V] em corrente alternada, pode-se dizer que as saídas de tensão VA, VB, VC e VD, em relação ao terminal N, são saídas de tensão em corrente contínua.

Considerando esssas informações, assinale a alternativa correta.