Observe o circuito a seguir.

Fonte: Arquivo Banca Elaboradora.
Qual o valor da corrente de base do circuito apresentado, considerando Vbb = 7V, Vcc = 12V, VBE = 0,7V, VCE = 0,4V, Rc = 2,2K!$ \Omega !$ e Rb = 860K!$ \Omega !$?
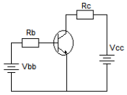
Observe o circuito a seguir.

Fonte: Arquivo Banca Elaboradora.
Qual o valor da corrente de base do circuito apresentado, considerando Vbb = 7V, Vcc = 12V, VBE = 0,7V, VCE = 0,4V, Rc = 2,2K!$ \Omega !$ e Rb = 860K!$ \Omega !$?