Analise a representação a seguir.

Quantos metros de arame seriam necessários para cercar o perímetro do terreno acima representado, com uma cerca constituída de seis fiadas de arame?
Dado: cotas em metros.
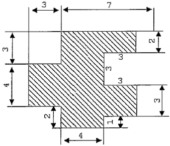
Analise a representação a seguir.

Quantos metros de arame seriam necessários para cercar o perímetro do terreno acima representado, com uma cerca constituída de seis fiadas de arame?
Dado: cotas em metros.