Magna Concursos
78600 Ano: 2005
Disciplina: Engenharia Mecânica
Banca: CESGRANRIO
Orgão: Petrobrás

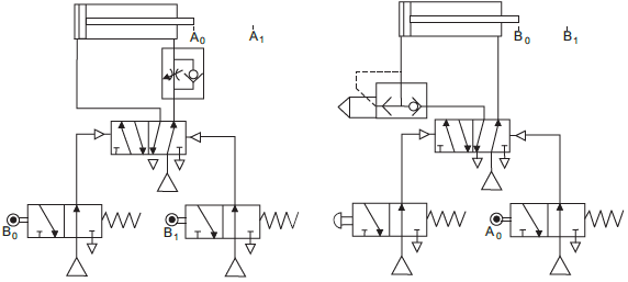
Observe o circuito pneumático na figura abaixo e responda a questão.

Enunciado 3322381-1

O elemento de comando utilizado no circuito é:

 

Provas

Questão presente nas seguintes provas

Técnico - Mecânico Especializado

70 Questões