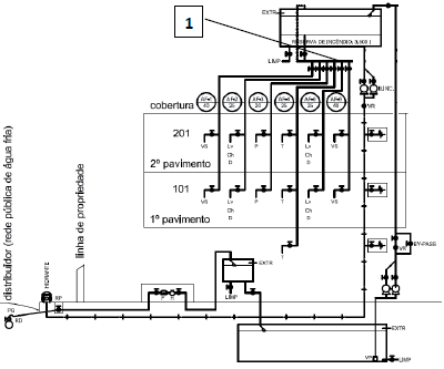
A figura abaixo apresenta o diagrama vertical da instalação de água fria de uma edificação.

Sobre essa instalação, responda à questão.
Sabendo-se que o consumo diário de água da edificação é de 17.500 litros e que as caixas d’água armazenam 5.000 litros mais a reserva de incêndio de 3.500 litros, a cisterna dessa edificação deve armazenar, no mínimo: