448511
Ano: 2009
Disciplina: Segurança e Saúde no Trabalho (SST)
Banca: CESGRANRIO
Orgão: FUNASA
Disciplina: Segurança e Saúde no Trabalho (SST)
Banca: CESGRANRIO
Orgão: FUNASA
Provas:
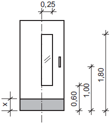
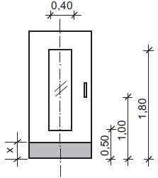
A questão baseia-se nos croquis das portas tipo vaivém com visor, puxador vertical e revestimento resistente a impactos, esquematizados a seguir.
I.

II.

III.

Com relação ao visor, está(ão) em conformidade com a NBR 9050 a(s) porta(s)
Provas
Questão presente nas seguintes provas