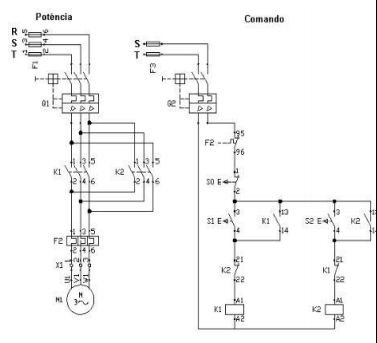
Identifique o tipo de chave de partida referente aos circuitos de potência e de comando a seguir.
chave de partida com reversão
chave de partida estrela-triângulo
chave de partida compensadora
chave de partida direta
chave de partida com sincronismo
Olá, para continuar, precisamos criar uma conta! É rápido e grátis.