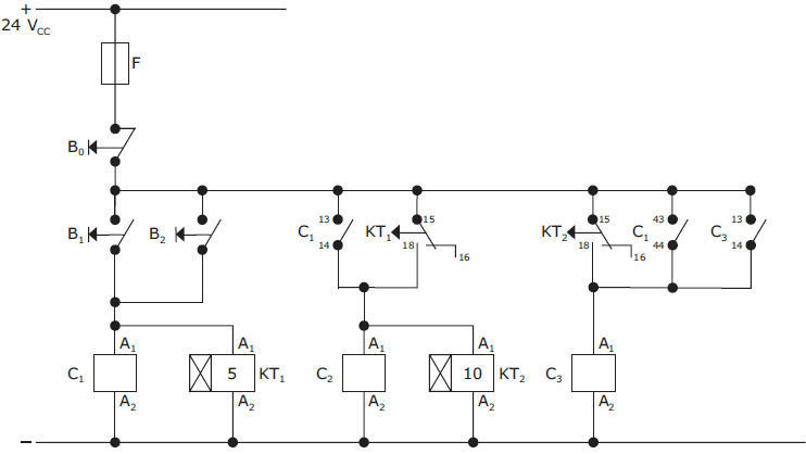
O acionamento de cargas elétricas usando contatoras (C , C e C ) e relés temporizadores (KT e KT ) é re- 1 2 3 1 2 presentado, na figura a seguir, pelo circuito lógico de comando, tendo os temporizadores retardo na energização: KT programado para 5 segundos e KT programado para 10 segundos.

Considere que o circuito ainda está em fase de projeto e poderá ter falhas. Após 15 segundos do acionamento manual (durante 1 segundo) do botão pulsante B , o(s) dispositivo(s) que se manterá(ão) energizado(s) é(são)