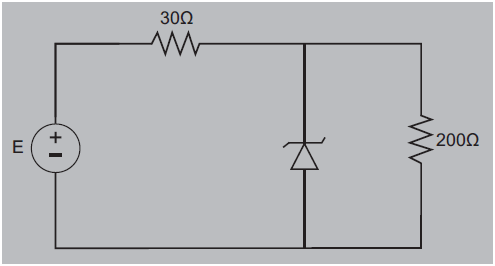
A figura mostra um circuito regulador de tensão com diodo zener.

O diodo zener tem uma tensão reversa de ruptura de 10 V e sua potência é de 1 W. Na faixa de operação como regulador de tensão, a corrente no diodo zener só pode variar entre o valor máximo, associado a sua potência, e um valor correspondente a 10% do valor máximo. A partir dessas informações, pode-se determinar que, para o funcionamento adequado do circuito como regulador de tensão, a faixa de valores da tensão de entrada deve ser de