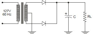
Analise o circuito abaixo:

Dados:
Transformador: 127 V x 6 + 6 V − 2 A
Diodos: 1N4004 − 1 A x 400 V
Capacitor: 1000 μF / 50 V
Para uma determinada carga resistiva, a tensão de saída tem um ripple pico a pico de 2 V. Nesse caso, a tensão média na carga vale, aproximadamente,