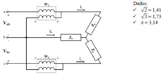
A figura a seguir apresenta o método dos dois wattímetros para uma carga conectada em estrela.

Sabendo que os dois wattímetros apresentam as seguintes leituras: P1=2.000 W e P2=2.500 W, sendo a tensão da linha 220 V, qual é o valor do ângulo de potência da carga, em graus?