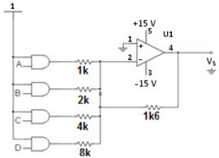
O amplificador operacional AOP possui inúmeras aplicações, tanto para circuitos analógicos quanto para circuitos digitais.

De acordo com a figura, determine o valor da tensão de saída, em V, quando os valores em A, B, C e D forem iguais a 1011. (Considere: estes valores são níveis de tensão TTL, portanto, 5 V para 1, e 0 V para 0; MSB = A; LSB = D.)