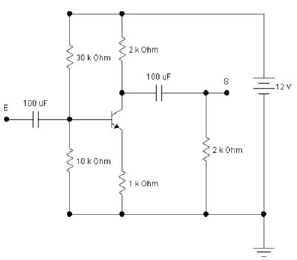
O transistor do circuito abaixo é de silício e apresenta o ganho de corrente hfe = 300 e hie = 1,0 kΩ e os capacitores têm reatâncias desprezíveis.

No ponto E aplica-se um sinal senoidal ec (t) = sen ωt. O equivalente aproximado de Thèvenim entre o ponto S e o ponto de aterramento é uma fonte de:
Provas
Questão presente nas seguintes provas
Pesquisador do INPI - Eletrônica e Computação
50 Questões