Magna Concursos
2181893 Ano: 2010
Disciplina: Engenharia Mecânica
Banca: CESGRANRIO
Orgão: Petrobrás

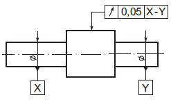
Enunciado 3095060-1

No desenho técnico acima, a tolerância geométrica representada mostra que

 

Provas

Questão presente nas seguintes provas

Técnico de Manutenção - Mecânica

100 Questões