Magna Concursos
2779124 Ano: 2023
Disciplina: Engenharia Eletrônica
Banca: FUNDATEC
Orgão: GHC
Provas:

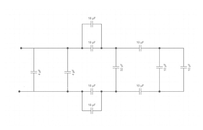
Determine o capacitor equivalente no circuito da Figura 2.

Enunciado 3560027-1

Figura 2

 

Provas

Questão presente nas seguintes provas

Técnico de Eletrônica

50 Questões