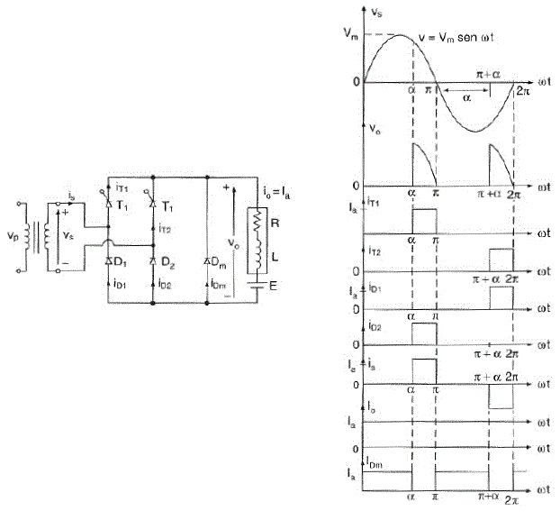
Observe o circuito e as formas de ondas a seguir.

Com relação a esse circuito e suas correspondentes formas de onda, é CORRETO afirmar que:
Provas
Questão presente nas seguintes provas
Soldado Bombeiro Militar - Técnico em Eletrônica
50 Questões