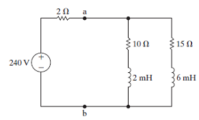
A corrente que circula pelo resistor de 2 Ω (R2Ω) do circuito ao lado é monitorada a cada microssegundo por um sistema de monitoramento, que emite alerta quando a corrente em R2Ω é de 114 A. Durante uma manutenção de rotina, os terminais a e b foram colocados em curto-circuito, por um erro de manobra. Antes da manutenção, o circuito estava operando por um longo tempo, sem interrupções. Levando em consideração os dados apresentados, para quantos µs após o curto-circuito o alarme será emitido?
(Considere, para cálculo, apenas a parte inteira do resultado, ignorando as decimais).

Provas
Questão presente nas seguintes provas
Engenheiro Eletricista
50 Questões
Engenheiro Eletricista (Revezamento)
50 Questões