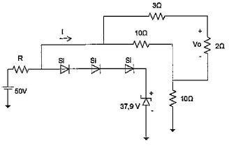
Analise o circuito a seguir.

Considere que Si representa um diodo de Silício. Com relação ao circuito acima, calcule a tensão Vo e assinale a opção correta.
Analise o circuito a seguir.

Considere que Si representa um diodo de Silício. Com relação ao circuito acima, calcule a tensão Vo e assinale a opção correta.