Magna Concursos
3524492 Ano: 2024
Disciplina: Edificações
Banca: FEPESE
Orgão: Pref. Concórdia-SC
Provas:

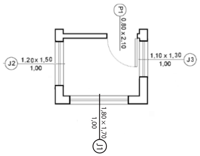
Avalie o desenho abaixo:

Enunciado 4054483-1

Assinale a alternativa que apresenta corretamente o valor da altura do peitoril da Janela J1.

 

Provas

Questão presente nas seguintes provas

Técnico de Edificações

30 Questões