Magna Concursos
2740505 Ano: 2023
Disciplina: Engenharia Elétrica
Banca: FEPESE
Orgão: Pref. Balneário Camboriú-SC
Provas:

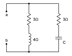
Considere o circuito da figura abaixo para responder à questão.

Enunciado 3262338-1

Considerando que uma fonte de tensão alternada senoidal com frequência de 60 Hz seja colocada entre os pontos a e b da fIgura 2, qual deverá ser o valor da capacitância do capacitor para que a corrente da fonte esteja em fase com a tensão?

 

Provas

Questão presente nas seguintes provas

Engenheiro Eletricista

40 Questões