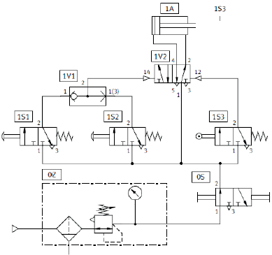
Afigura abaixo ilustra um sistema pneumático.

A função lógica desenvolvida pela válvula “1V1” é:
Provas
Questão presente nas seguintes provas
Técnico - Mecatrônica e Automação Industrial
40 Questões
Afigura abaixo ilustra um sistema pneumático.

A função lógica desenvolvida pela válvula “1V1” é: