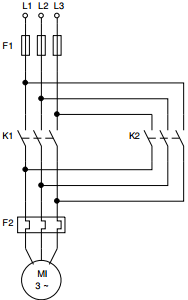
Analise o diagrama de acionamento de um motor de indução trifásico apresentado na figura
abaixo. Preencha com V as alternativas verdadeiras e com F as alternativas falsas e depois assinale
a única opção com a sequência correta de cima para baixo.

( ) Trata-se de uma chave de partida direta para motores de baixa potência. ( ) O acionamento simultâneo de K1 e K2 reduz a 1/3 a corrente de partida do motor. ( ) Trata-se de uma chave de partida estrela triângulo. ( ) O acionamento de K2 é um freio eletromagnético para o motor. ( ) O dispositivo F2 é utilizado para proteger as bobinas que acionam K1 e K2. ( ) O acionamento não simultâneo de K1 e K2 possibilita a reversão da rotação do motor.

( ) Trata-se de uma chave de partida direta para motores de baixa potência. ( ) O acionamento simultâneo de K1 e K2 reduz a 1/3 a corrente de partida do motor. ( ) Trata-se de uma chave de partida estrela triângulo. ( ) O acionamento de K2 é um freio eletromagnético para o motor. ( ) O dispositivo F2 é utilizado para proteger as bobinas que acionam K1 e K2. ( ) O acionamento não simultâneo de K1 e K2 possibilita a reversão da rotação do motor.