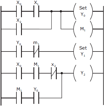
Observe a figura.

Uma das linguagens de programação de controladores lógicos programáveis (CLP) mais utilizadas na indústria é a linguagem Ladder. O diagrama Ladder mostrado na figura utiliza três entradas digitais (X0, X1 e X2), três saídas digitais (Y0, Y1, Y2) e uma função de memória (M1).
Com relação ao diagrama Ladder apresentado na figura, é correto afirmar: