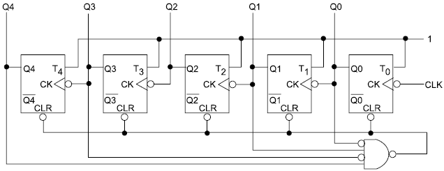
Considere o circuito contador mostrado na figura a seguir:

Sendo Q0 o bit menos significativo e Q4 o bit mais significativo da palavra binária de saída do contador, é possível afirmar que a maior contagem estável obtida em sua saída, em valores decimais, é: