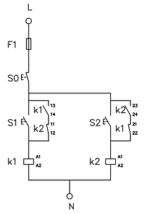
A Figura abaixo mostra o diagrama de comando de dois motores acionados pelos contactores K1 (Motor 1) e K2 (Motor 2):

Analisando o diagrama, é correto afirmar que:
A Figura abaixo mostra o diagrama de comando de dois motores acionados pelos contactores K1 (Motor 1) e K2 (Motor 2):

Analisando o diagrama, é correto afirmar que: