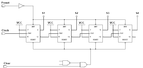
Um contador é utilizado em um processador como um ponteiro para a próxima instrução a ser executada por ele. Considere que cada instrução ocupa apenas um byte da memória e, portanto, o contador é incrementado em uma unidade sempre que uma instrução é executada. Os componentes (flips-flops JK e portas lógicas) da Figurasão usados para montar este contador de instruções.

Figura: Contador de instruções
Para que este contador recicle (retorne a 0) após a leitura de 10 instruções, é necessário que as entradas da NAND estejam ligadas em: