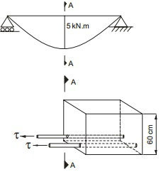
Um projeto de viga isostática, em concreto armado, receberá carga gravitacional estática, uniformemente distribuída, conforme diagrama de esforços abaixo representado. Uma outra figura representa um corte transversal passando pelo ponto médio do comprimento da viga, indicando a altura final de projeto da peça, sem recobrimento, e duas posições de barras de aço.
I. as tensões
podem ser estimadas por meio do quociente entre 5 kN.m/0,60 m/2.
II. o valor 5 kN.m refere-se ao ponto de máximo (em módulo) de um diagrama de momento fletor.
III. quando calculados, os valores
representarão as tensões máximas de força cortante possíveis.
É correto o que consta em

I. as tensões
podem ser estimadas por meio do quociente entre 5 kN.m/0,60 m/2.II. o valor 5 kN.m refere-se ao ponto de máximo (em módulo) de um diagrama de momento fletor.
III. quando calculados, os valores
representarão as tensões máximas de força cortante possíveis. É correto o que consta em