Magna Concursos
1274403 Ano: 2009
Disciplina: Física
Banca: CESPE / CEBRASPE
Orgão: UNIPAMPA

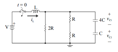
Enunciado 1274403-1

Considere que o circuito ilustrado na figura acima seja mantido com a chave aberta por um tempo suficientemente grande e que, no instante t = 0, a chave seja subitamente fechada, de tal forma que a bateria de tensão igual a V seja conectada ao indutor em associação com os resistores e capacitores. Acerca dessas informações e considerando, ainda, a situação do circuito em regime permanente, julgue os itens a seguir.

A corrente iL que flui pelo indutor é nula.

 

Provas

Questão presente nas seguintes provas