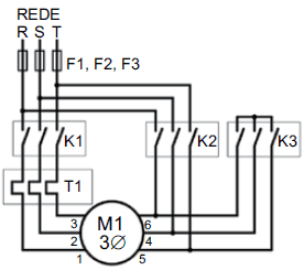
Um motor de indução trifásico de 6 terminais, com tensão nominal de 220/380 V, corrente nominal 45/26 A e fator de serviço igual a 1,15, opera acionado por uma chave de partida automática do tipo estrela-triângulo. O circuito de força da chave estrela-triângulo automática é mostrado na figura a seguir.

Nessas condições, o valor da corrente de ajuste do relé de sobrecarga será aproximadamente igual a: