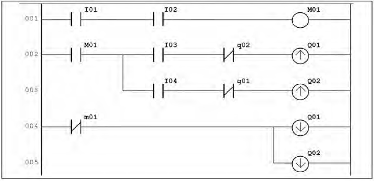
Dado o programa de CLP abaixo, desenvolvido no método LADDER; Considerando que "I" são entradas, "Q" são saídas, "M" são marcadores internos do CLP, "!$ ↑ !$" é o comando SET, "!$ ↓ !$" é o comando RESET; Considerando que as letras minúsculas representam as mesmas entradas, saídas e/ou marcadores com sinal barrado, e; Considerando que elementos físicos de desligamento (botoeiras desliga, chaves de emergência e relés de proteção) devem ser do tipo NF e, elementos físicos de ligamento (botoeiras e chaves de acionamento) devem ser do tipo NA; Assinale a alternativa CORRETA:
